Hi
I am uploading tutorials with pictures,
Mechanical parts list,
Cutting parts list,
Assembly Diagrams,
Mathematical calculation formulas for Building Your Own 3DOF 24V DC Motion Base of any size.
The mathematical formula Also works for 4,5,6 DOF
The rules are participate in this post with providing improvements to the motion base designs and to the improvements of the,
Mechanical parts list,
Cutting Parts List,
The electrical wiring diagrams.
Also use the formulas to work out a 6DOF Motion Platform with measurements, cutting list, Mechanical Parts List and Electrical Diagrams.
I have informed Sir No Name of this post.
Please participate.
Thank you.
Building Your Own Motion Base1
Mechanical Design part 1 - Pi and Pythagoras
The first stage in every successful product is the design stage. Here the requirements are set out and initial design choices are made.
As we are building a known item, the MB3, it may seem unnecessary to have a design stage. After all, that part has been done already, hasn’t it? Well, yes. But in can’t harm to have some background knowledge of the design of the MB3. That way, you will better understand what it is you are going to build and how it will work. Also, you may, now or in the future, decide to build something a bit different – so the design basics will come in handy for making variations on the basic MB3 platform.
The reference to Pi and Pythagoras may have sent shivers down your spine as you try to remember back to you school mathematics. Don’t worry, we are not dealing with stuff that is very complicated here – just some easy ways to work out the sizes and dimensions of parts of the platform.
Specification
Let us begin with the specification of your motion base. This will be contained in a number of short statements as answers to basic questions: -
How big is it to be?
What payload (weight) will it carry?
How will we drive it? (Electric? Hydraulic?) How many axes?
How is it controlled?
What performance will it have?
If you are designing a motion base from scratch, you will have to answer these questions. But for the MB3 we already have the answers, so we will use those.
How big is it? 1 metre long x 1 meter wide x 600 mm high
What payload will it carry? Up to 200Kg total payload
How will we drive it? DC electric motors with attached gearboxes
How many axes? 3 axes – roll, pitch and heave
How is it controlled? Control is via specific PC software programme
What performance will it have? Up to +/-20 degrees of roll and pitch
Up to +/-80mm heave travel
Max rotational speed ~35 deg/sec
Max translational speed ~0.2m/sec
The Design Phase
There are a number of possible places to start designing your motion base. Perhaps the best place is with the drive motors themselves. This may sound an unusual place to begin, but the number of different motor specifications is fairly limited and, having made a selection of the motors, we can work through the rest of the design and round back to the motors again – in a kind of testing loop.
A three-axis design requires three drives. There are a number of different ways of arranging the drives, but we will use the most simple and most often used – a triangle. As it suggests, this arrangement has the three drives arranged in a triangle on the bottom of the motion base
– one along the centre line in front of the pivot and two behind the pivot on either side. The advantage of using the drives in this way is that each drive carries out more than one of the axes of movement, and all three carry out the Heave movement (up and down). Thus the power required to move the load is shared between the drives doing the job, which reduces the power requirement for each motor individually. The arrangement is shown in Fig 1.
This shows the arrangement of drives for the MB3 motion base, where drive A is in front and moves with both Pitch and Heave movements. Drives B and C are behind the pivot point (shown as a cross) and they move for Roll, Pitch and Heave movements.
Heave movement is the most demanding, as it requires lifting the entire weight of the platform payload. Roll and Pitch movements are less demanding, as they only need the weight to be tilted around the pivot point. So, when it comes to looking at the power need for the drives, we will look at the Heave motion as being the movement that will specify the kind of drive we will need.
There are numerous different kinds of drives available and it can be a task in itself to choose the right one. There are pros and cons for each kind of drive. Having evaluated the options, we found that DC electric motors were the most suitable for a domestic and small-scale
motion base application. Whilst AC drives might seem more obvious, given that all household supplies are AC, control of AC motors is not as straightforward in terms of varying both speed and direction – DC drives are simpler in that respect, despite the apparent disadvantage of having to provide a Dc power supply to drive them. Options in choosing drives will be the subject of a separate, more in depth article in the future. For now, let us stay with the choices we have made.
Having chosen the kind of drive motors, and the arrangement of them, we can now work out the kind of motor specification and mechanical aspects of the drives. Looking at the Heave requirement, we want to be able to lift 200Kg between three drives. If we arrange the load so that each drive does equal work, then each drive will have to lift 67Kg. This now allows us to calculate some figures for power and torque for the motors and from there to a choice of actual drive motors.
As well as the mass to be lifted, there are some other specifications that we need to add in here: -
Rate of acceleration
Maximum speed in Heave
The calculation of motor power is split into two parts, the first part is the power needed to move the load at steady maximum speed: -
Mass x Gravity x Max Speed = Power needed
In our case, this becomes
67Kg x 9.8 m/sec2 x 0.2 m/s = 131.3 Watts
Added to that is the power needed to accelerate up to maximum speed: -
½ x Mass x Speed2 / Acceleration time
The acceleration time is not something we have specified so far. But it needs to be fast otherwise the motion base will not give the motion cues in synchronisation with the movement of the aircraft as shown on your visual display. For the purposes of this calculation we will use 0.02 secs as the time allowed for the platform to accelerate to the maximum speed (if required).
So, in our case the second formula becomes
½ x 67Kg x 0.22 / 0.02 = 67.0 Watts
Adding the two together we get a motor power requirement of 67.0 + 131.3 = 198.3 Watts
Or approximately 200 Watts.
Our world will not be perfect however, and we should add some power to overcome such things as friction and the fact that the payload will not always be perfectly balanced (people move around, which moves the weight to be moved by each motor as they do). A reasonable allowance is 20% for such things, though more would give us some power in reserve. It is always possible to reduce the force applied by your drives, but not to increase it beyond its maximum. So we should look for motors with power of a minimum of 240W.
Torque
Next we need to discuss torque. Torque is the ability of a drive to apply a force to an object. Or to resist a force being applied to it. It is usually measured as the backwards turning force need to stop the motor turning from its full speed. Torque is specified in Newton metres, which expresses a force applied by a lever of 1 meter in length.
In our case, the force we need to motor to overcome is the downward force exerted by the weight of the payload. Having split the total weight into three we know this is 67Kg. To convert this into a force, we simply multiply by G gravity constant.
Force = Mass x Acceleration
In our case
Force = 67Kg x 9.80 m/sec2 = 657 Newtons
So we need our drive to have a torque that will be at least that high. Now we come onto gearing. We will not make a great study of this, as you will not need to be able to work this out. It is enough to say that just as with your car, electric motors usually have gearboxes attached to them. This increases greatly the output torque of the drive and also reduces the output speed. Most electric motors turn at speeds in between 1800rpm and 5000rpm, which is fine for applications such as drills but not good for slower speed, higher torque applications such as ours.
We need to find a motor/gearbox combination with as high a torque as we can, which also has the right power and output speed. The one we have selected has 280W power and output torque of 100Nm and output speed of 11.4rpm (geared down from a motor speed of
4000rpm). This is, as with all things, a bit of a compromise. We would like a higher output speed (possibly around 16rpm) but that would mean a reduction in torque (down to 62Nm).
Bringing back the definition of torque (force applied at a set lever length, like a long handled spanner), we see that we have a 100Nm drive needing to resist 657 N. That then sets the length of the motor arms for us. The way torque works is that the shorter the lever, the more force you have to apply (like trying to remove your car wheel nuts with a small wrench). So, if our drive has a torque of 100Nm it will exert a force of 100Newtons on the end of a 1 metre lever – or 1000Newtons on the end of a 0.1metre lever (100mm).
We need a force of 657Newtons to resist the downwards force of the payload, so our lever length should be: -
100Nm x 1000mm/657N = 152mm
As you will see, we have again allowed for some safety factor here and will use a lever length some 10% shorter i.e. 135mm.
In summary, we have worked out the following parts of the motion base: -
Drive Power – minimum 240W – actual choice 280W
Drive Force – 657Newtons – actual choice 741N
Drive output speed – ideally around 16rpm – actual choice 11.4 rpm
The only area where we have had to compromise a bit is with the output speed. However, being able to use a longer motor arm will have its compensations, as you will see next.
Setting the Frame
Choosing the motor may have seemed an odd thing to do first, but now that it is settled, we have some definite specifications from which to move on and draw up the frame of our motion base.
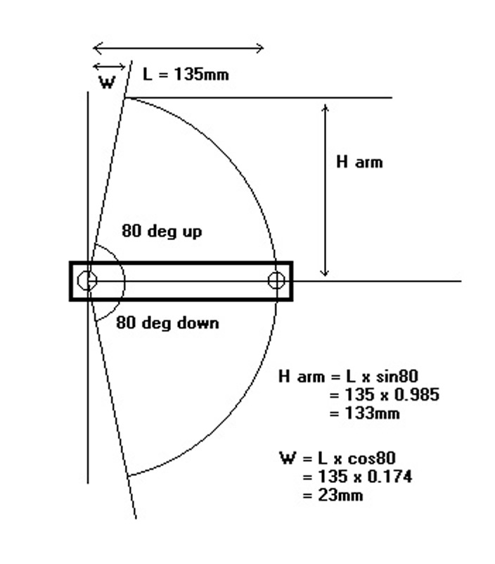
The first step is to convert the motion of the motor arm into actual movement of the platform itself. We want to maximise the movement of the platform, within the constraints of space and the capability of the drive system. Figure 2 shows how the motor arm will move as we drive the motor either up or down from the horizontal position.
Figure 2
We want the arm to move the platform up and down, using the maximum movement that it can manage. However, we must not let the arm go beyond the vertical position at either the top or bottom of its travel, or the rotation of the motor will
move the platform in the opposite direction to that intended – i.e. in the case shown
an anticlockwise motor rotation would move the platform down instead of up. So, we will restrict the scope of arm movement to 80 degrees either side of horizontal (which we will set as being the central position).
Now comes Pythagoras and more mathematics. We need to know the vertical distance moved by the arm from its central position up to the highest (or down to the lowest) point of travel. In this case we called that vertical distance H arm. Using rules of right angled triangles we can calculate that to be
Length of arm x sin of angle of rotation
In our case this becomes
135mm x sin 80 = 135mm x 0.985 = 133mm
So, we can calculate that we will raise or lower the platform by that amount by rotating the motor through 80 degrees from the central position. Incidentally, the maximum possible would be 135mm (the length of the arm) so we don’t lose much by limiting the arm to 80 degrees of the possible 90 degrees.
Now we can move on to looking at the motion base frame. Again it is useful to set out some of the basic requirements that it must meet. It will have three main parts – a fixed lower section, a moving upper section and a central column that connects the two. It must also have some basic features – rigidity, lightness, stability and movement. Let us examine those features one by one: -
Rigidity – the frame needs to be strong enough to hold the payload both when it is stationary and when it is moving. This will require that we use the correct materials and arrange them and join them so that the frame does not flex or bend when the payload in mounted on top
and during operation. We will solve that by using metal in the form of channel sections, which when either bolted or welded together will make up a strong frame.
Lightness – In building a frame that is rigid, we could easily end up with a product that is over- engineered and very heavy. In an industrial context, that might be acceptable, but in the context of the motion base being largely for home and personal use, weight is an issue. We don’t want to have to use a crane or pallet truck every time we want to move it. This problem is overcome by using aluminium instead of steel as the material of choice. It is lighter and
has much of the strength attributes of steel. For the homebuilder, it also has the advantage of being much easier to work with for drilling and cutting. Also it will not rust, so does not have
to be painted. With the use of the right kind of fixings (bolts) it can be made to look attractive in a hi-tech kind of way, which can be a bonus.
Figure 3 - Center of gravity
Stability – The size of the frame must be such that it will accommodate the payload cockpit without being at risk of tipping over. This entails taking a look at the centre of gravity of the payload cockpit when loaded and how it moves as the platform moves. The MB3 platform was designed to accommodate a cockpit
800mm wide and 1800mm long (the replica Spitfire cockpit). We did some drawings of how the centre of gravity would shift as it went from maximum roll left to maximum roll right. And the same for pitch movements. We found that the roll motion gave the biggest potential for problems with tipping over and so set the width of the motion base bottom frame so that the centre of gravity never went outside the outer edge of the frame.
Figure 3 shows one of the study drawings we made. You will see that the Centre of Gravity of the cockpit is placed conservatively high, and yet does not move outside the line of the motion base during maximum roll. The width of the motion base allows for some leaning of the pilot during roll, which may happen.
Movement – The extent of movement is set out in the specification. It is specified in terms of degrees of Roll and Pitch and vertical movement for Heave. These figures have not been chosen at random. They have been chosen after considerable research into the ranges of movement in professional platforms and study of the theories of motion simulation. A total movement of 40 degrees in Roll and Pitch (+/- 20 degrees from level) may not seem a lot, given that many planes will roll to far steeper angles and, in the case of fighters, happily make complete circles in the sky. However, the art of simulation is combining the visual display with small, limited motion cues (or “kicks”), that confirm to the user's brain that actual motion is happening. In this context, the specified movement range is enough.
Motor Arm Positioning
Having chosen the motors and motor arms, it is now time attach them to a frame and so complete the design.
We need to get into some mathematics again here. We want the top frame of the motion
base to move through 20 degrees in Roll and Pitch, either side of level.
Figure 4
The top frame is hinged in the centre with a universal joint to allow rotational in both axes at the same time. The motor arm needs to be attached to the top frame, so that upward movement of the motor arm (as shown in figure 2) will result in upward movement of the top frame (and hence the cockpit attached to it). The decision to be now is where to attach the motor arm so that we get the range of movement that we want.
Figure 4 shows one half of the top frame in Roll, both in level and in +20 degree position. The vertical height that the frame must be moved depends on how far away from the universal
joint we choose to attach the motor arm. The formula for working this out is
Movement height = Distance from joint x sin (angle of tilt) At the edge of the cockpit, this becomes
Height = 400mm x sin20 = 400 x 0.342 = 137mm
At only 100mm from the joint this height becomes
Height = 100mm x sin20 = 100 x 0.342 = 34mm
So, if we attach the motor arm at the edge of the platform, it will need to move 137mm to achieve 20 degrees of rotational movement. But, as we calculated above, the motor arm can only move 133mm – so we would not achieve our specification. Therefore, we must attach the arm as close to the central joint as we can. This is particularly so because the calculations above are for one axis only, and we need to achieve all our axes of movement from the 133mm arm lift available. Ideally, we would attach the arm at around 100mm from the joint and we would be able to get 20 degrees of Roll, and 20 degrees of Pitch and nearly all of the 80mm of Heave movement, all at the same time (34mm + 34mm + 65mm = 133mm).
This is where we have to compromise again with our design a little.
It is a fact that if we have the motor arm connections too close together, the top frame will become wobbly. This is because a lot of the payload weight will not sit inside a triangle drawn between the motor arm connection points on the top frame. For maximum stability, we want the motor arms to be connected as far apart as possible – this makes sense intuitively. So we must compromise. Figure 5 shows this.
Which location you choose will depend on your platform design – and finding the right place will surely take some trial and error in calculations. Better that it is done at the design stage than when you are actually building the frame.
Another factor that will affect things is the size and shape of your motors. There is a limit to space for mounting the motors on the base frame and some locations will not be possible because of the structure of the centre column.
After some trial and error, and taking into account the motor size and shape, the motor arm connections were selected as being: -
Front Motor – On the centre line 200mm in front of the centre of rotation
Rear Motors – Equidistant 240mm laterally from the centre of rotation and 200mm behind it.
Combining these calculations, with the other factors on stability and rigidity, the overall design becomes as shown in the next three drawings – figures 6,7 and 8.
Figure 6 shows the platform when viewed from the side. Figures 7 and 8 show the platform view from above – first without the top frame obscuring the main base frame, and then with the top frame shown as well. All these drawings are available in full size as separate downloads.
Figure 6 – complete motion base viewed from the side
Figure 7 – base frame viewed from the top
Figure 8 – complete motion base viewed from the top (top frame in semi-transparent)
So, let us examine some of the features and how they relate to the required specification.
Size – the base size is 1000mm x 1000mm which covers the need for stability with a cockpit payload 800mm wide and 1800mm long. (Although the cockpit will overhang front and back, most of the payload weight is in the central part of the cockpit i.e. the pilot).
Rigidity – If you examine the structure, you will see that the frame is a basic “H” shape. The basic parts are made out of 100x50 aluminium channel which gives great flexural strength. The main part of the central column is supported by the cross-pieces of the “H” and made from the same material. The base of the central column sits on the ground for support and the base frame acts only to keep it vertical. Further bracing for the basic “H” shape is given by the other cross pieces made from 50x50 channel, and the pieces running along the length of the frame which double as mountings for the motors.
Weight – The overall weight of the motion base is less than 60Kg, which can be readily lifted by two people. Of that the motors contribute 22Kg, so the frame itself is light and very strong. This means that it can be put into the back of a medium estate car for transport if needed.
Top frame – this is a very light structure, meant as something to bolt your cockpit to. This means that your cockpit will need to have good rigidity in its base.
Centre of Gravity – this is marked on the drawings. It is the mid-point of the triangle formed by the three motor arm connection points. You will notice that it is located about 40mm behind the joint. This is ok as the back half of the motion base has two motors. You should aim for the centre of gravity of your cockpit to be mounted either directly over the joint, or slightly behind it, at the centre of the triangle. Obviously this will move according the the size and weight of the pilot as well. The thing to avoid is having the CofG in front of the joint as this will put a great load onto the single front motor.
Movement – The range of movement works out sligthly differently for Roll and Pitch.
Figure 9 – Pitch movement of the front motor
Figure 10 – Pitch movement of the rear motors
Figure 11 – Roll movement of rear motors
The front motor is connected exactly along the centre line of the platform, and is therefore not involved in roll movements – only in pitch and heave. Full pitch motion will take 68mm of motor arm movement, leaving 65mm for any possible heave motion.
The rear motors are needed for all three axes. So, with the roll motion needing 82mm and the pitch motion needing 68mm, it can already be seen that we can’t do full roll, combined
with full pitch at the same time – let alone any needed heave motion. However, here is part of the compromise of design.
In reality, the motion base will very rarely need to do the full extent of movement on all three axes at the same time. With the 133mm available, we can do a good proportion of all three at once (in fact 11.5 degrees of roll and pitch plus 46mm of heave).
Second, whilst the theoretical maximum movement in, for example, roll is 20 degrees, the software control will keep the platform within that angle – making sure that the pltform never actually goes that far. The end stop limit switches will be set at 20 degrees to protect the mechanics of the platform and will cut power once 20 degress is reached. As the platform moves towards its limit, the control system will make it increasingly difficult to move to a greater angle. This aspect will be covered during setting up the sensors on the platform at a later stage.
So, we have a design which includes some trade-offs and compromises, but at the same time will make for an exciting motion base capable of simulating a range of aircraft. This chapter has covered the design of the main framework for the motion base, but has not covered the central column in much detail. This is the subject of the next article.
Figure 12 – How the movement of the push rod affects platform movement
Lastly, you may have noticed that, in the drawings of the motion base, the motor arms are not horizontal, as we have been assuming in our calculations. This is
because the push rods that connect the motor arms need to be vertical when
the motor arms are at their highest or lowest points. If the push rods were vertical at the mid-point, they would move past the vertical as the motor arm moves,
which would reduce the vertical movement of the platform. Figure 12 shows this.
From this, we can calculate the actual position that
each motor must be placed on the platform base and the length of the push rods that we need. In figure 2, we calculated the height
moved by the motor arm,
but also shown there is the horizontal distance moved during its travel – seen on the diagram as W.
The calculation of W is
W = Arm Length x cos (angle of rotation)
In our case this is
W = 135mm x cos80 = 135 x 0.174 = 23.4mm
Now we can calculate the motor position and length of push rod. Calculating the length of the push rod is an easy matter. From the drawing in figure 6, you will see that the motors are placed at a height of 150mm above the floor. Add to that the height of the output shaft above the base of the motor (88mm) and we see that the overall height of the motor arm, at the motor end is 238mm above the floor. Again from the drawing (and from working out the
height of the central column, given in the next article), the attachment point is 578mm above the floor. So the height difference is 578 – 238 = 340mm. This is the length of the push rod.
Figure 13 is a representation of the calculations we need to make. We know the length of the motor arm (135mm), how far from vertical it is horizontally (23mm), the length of the push rod and the distance from motor output shaft to underside of the platform top frame (both
340mm). From this we can calculate the rest.
First we calculate the distance X. Since we know the total length of the motor arm
X = motor arm length – W = 135mm – 23mm = 112mm
Figure 13 – Calculation of arm and Motor Positions
Using Pythagoras’ rules about right-angled triangles, we can then work out distance Y
Y = Square root of [(Push rod length)2 – X2)]
Y = Sqrt of (3402 – 1122) = 321mm
If we know distance Y, then we can easily work out distance Z, since
Y + Z = distance from motor output shaft to top frame
So Z = 340mm – 321mm = 19mm
Lastly we can calculate angle a
Sin a = Z / motor arm length = 19 /
135 = 0.141
So a = sin -1 0.141 = approx. 8 degrees
This gives us the result that we need push rods of 340mm length and that the motor arms will be about 8 degrees above horizontal when the motors are correctly placed on the base. The motors are to be placed so that the push rod end of the motor arm is 112 mm from the attachment point horizontally.
That completes this part of the mechanical design of your motion base. The last set of calculations will be confirmed when we have worked out the details of the central column, in the next chapter.
Building Your Own Motion Base2
Chapter Two – Mechanical Design part 2 – Central Issues
In the last chapter we did a lot of work. We looked at the specifications we want for our motion base. We made decisions on how the motion base frame will be made and made some calculations to see how our design will meet the stated specifications.
In this chapter we will look in detail at how the central column of the motion base will be put together. In a two-axis motion base, this column is a simple structure that joins the lower static part of the base, to the upper moving part (the top frame). It will have the same universal joint at the top of the column to allow rotation in Roll and Pitch at the same time, but its main job is to be a strong, rigid structure.
In our three-axis motion base, we include Heave movement, which is the cockpit being moved up and down vertically. This means that the central column must be capable of extending
and contracting as required, yet still have the strength and rigidity to carry the moving payload. Therefore the column must be carefully designed.
The first step is to decide how the column is going to move. By this we mean choosing the system for allowing the column to extend and contract. Some motion bases use specially made extending shafts, which move telescopically. Others use extending drive shafts from cars. But we wanted a system that is effective, but does not require special tools or components to produce. After looking at a number of possibilities we decided that the best way would be to use linear bearings.
What is a Linear Bearing?
Linear Bearing
It is worthwhile spending a few minutes setting out what a linear bearing is. Essentially, it is a round rigid shaft of special steel that is held in place at both ends. The moving parts are the ring shaped bearings, which slide along the shaft between the two fixed ends. See figure 14 for a simple drawing. The rigidity of the bearing shaft and the close tolerance of the sliding bearing mean that there is virtually no looseness which could cause unwanted lateral movement away from the shaft. Yet movement along the shaft is free and smooth. If the object to be slid along the shaft uses two such bearing units, then the rigidity is even greater.
Figure 14 - Linear bearings
Depending on the type of linear bearing, the sliding unit uses either special low friction hard plastic or more traditional ball bearings. Whichever is used, these bearings have a high load bearing capacity and great resistance to unwanted lateral movement.
From the diagram above, it can be seen that, if the bearing was set vertically, then a column made of two pieces (one fixed and one moving) could be made that would have the features we are looking for – strength, rigidity and free heave movement. So that is what we will use for our central column.
Springs and Dampers
The second main part of our column is a large spring. The purpose of the spring is to support the weight of the cockpit and payload. When weight is added to the motion base, the spring will compress until the upward force of the spring equals the downward force of the additional weight. If the spring were not there, then all of the weight would have to be taken by the motor arms, as they would then be the only things supporting the payload weight and preventing the column from contracting completely.
In our motion base, we also use a damper (or shock absorber) with the central spring, so that the cockpit does not bounce as it moves. This is the same as the dampers used in the suspension on your car, which act to reduce the bouncing of the springs.
Figure 15 - Column fully compressed
Choosing the right spring is important. If the spring is too soft, it will compress too much when weight is placed on the motion base. This will mean that the centre position will be too low – reducing the available movement of the motion base. Similarly, if the spring is too hard the centre position of the base will be too high.
Springs are specified in a number of ways. The specifications that concern us are: -
1. Free length – this is the length of the spring when no force is applied to it
2. Overall diameter – this must be suitable to fit our motion base
3. Loaded length – this is the minimum working length of the spring
when fully compressed
4. Spring rate – this is the amount the spring compresses for each Kg of load
Let us look at an example of the central column and see how to develop to spring specification. Below are three diagrams of the complete MB3 central column. The spring and damper have been combined by using a suspension strut from a car.
In figure 15, the column is fully compressed, so that the whole structure is at its lowest position. This represents the situation of the motion base being fully loaded and also at maximum Heave Down.
The length of the central spring is 140mm. That is the shortest spring length that the platform design will permit.
In Figure 16, the column is at its middle or central position. This situation would happen when then motion base is fully loaded, but with no Heave movement at all – such as at the start of a flying session. Here the spring length is 220mm.
Figure 17 shows the central column when at its uppermost position. This situation could occur from a number of possible causes. For example this would be the position either for a fully loaded motion base at maximum Heave Up, or a motion base completely without any payload at all (i.e. no cockpit installed). In this situation the spring length is 300mm.
Figure - 16 Column in central position
Figure 17 - Column fully extended
We will look at motion base payloads later in this chapter. For the purposes of this section, we will assume that the motion base is fully loaded during operation. These three drawings contain quite a lot of information, so it is worth downloading the full sized version to get all the detail.
Perhaps you can already begin to see how we are defining the requirements of our spring unit. Looking back to the four points of spring specification we can now make some decisions.
Free Length – we want the free length to be slightly longer than the length when the column is at its upper most position. That length, we saw, is 300mm. So a free length of 305-310mm would be ideal.
Overall Diameter – we need a spring that will fit into the central column structure. The maximum possible diameter, from the drawings is 140mm in order to fit within the moving part of the column. Ideally, the outside diameter would be somewhere between 75mm and
100mm
Loaded Length – we want a spring that is able to compress to a slightly shorter length than when the column is at its lowest position. That length, from figure 15, is 140mm. So a loaded length of 130 – 135mm would be good.
Spring Rate – Of all the specifications, this is perhaps the most important. We need a spring that, when the platform is fully loaded, will compress to the centre of the range of movement, as shown in figure 16. The spring rate is usually described in Newtons per mm of spring travel. (1 Kg of payload exerts 9.8 Newtons of force). We have enough information to calculate the spring rate we need: -
Spring Rate = Payload force / (Free length – Length at centre position) In our case
Spring rate = 200Kg x 9.8 / (305mm – 200mm)
= 1960 / 105
= 18.7 N/mm
For the damper, you will need to make sure that it will cope with the overall length of travel – say 160mm plus around 10-20mm. Most dampers have a diameter of around 30mm and so will fit inside the main spring. Then you have to make sure that the overall length is about right for your design.
First Find Your Spring
Having worked out the ideal spring for the central column, the next step is to find a spring that matches those parameters, or as near as you can get to the ideal. Once you have your spring, you can design the rest of the column around the actual dimensions.
It may be that you find a spring that is right in many ways, but rather longer than the ideal. The diagrams, figures 15 to 17, show that the spring does not occupy the whole length of the column, so that can be accommodated by adjusting the points where the spring is joined to the rest of the structure.
A good source of the right kind of springs is the world of car spare parts. Small cars, in the mini and super mini class, have similar loads to cope with as your motion base. The lengths and diameters of the springs are similar, as are the overall travel lengths. If you then include the need for a damper to prevent a bouncing action, you also. The suspension units for the rear wheels are especially suitable. Our payload of 200Kg must be similar to the load per wheel at the rear of such cars. (The front suspension has the weight of the engine and gearbox, so will tend to be stiffer).
We opted for a combined suspension unit – spring and damper in one piece. This kind of unit is similar to a McPherson strut – different names may apply elsewhere. The advantages are ease of purchase (commonly available), relatively cheap (lots of spares suppliers with discounts), single piece unit with fixings already in place, tested design. The disadvantages are exact spring rate unknown (mostly not quoted), need to check for how it can be fixed (some have fixings that are no good), overall length can be a problem (often too long).
Whichever route you choose – a separate spring and damper or a combined unit, you will have to adapt your design to fit the actual dimensions. The overall length of the spring and damper unit we have drawn is approximately 510mm before fitting (500mm at longest operating length). If your overall spring unit is longer than we have shown, then you will need to extend the moving part of the central column. This is most easily done by increasing the length of the two side pieces of 75 x 25 x 3mm channel from the 385mm shown.
Similarly, if your overall spring unit length is less than shown, you can reduce the length of the two side pieces. There is a limit to how much you can reduce that length, or the top frame will touch the linear bearing shafts during a full Roll movement, when fully compressed as well – see figure 15. The limit of reduction is about 15mm. If you need shorten more than this, then it would be better to fix the top of the spring unit lower in the column. The bottom of the
spring should always be mounted as shown, so that the floor supports the downward forces.
If you decide to choose a combined spring and damper unit, you must choose a unit where the mounting bolt or bolts (at the top when fitted to a car, but at the bottom on a motion base) is vertical. In many instances, the mounting bolts are set at an angle to fit the bodywork of the car concerned – such units will not be usable. The mounting bolt or bolts are usually sized at about M10 with a fine pitch thread.
The top mounting is usually a 12mm suspension bush. This can be accommodated by developing a through bolt or bar, fixed to the top of the column.
Linear bearings
As you can see, we have arranged the linear bearings as a matched pair of bearings either side of the centre. The bearing shaft is held by two pillow blocks fitted to the lower fixed part of the column. The bearing units are fitted to the upper moving part of the column.
The main features are: -
- We used two linear bearing assemblies. This is to share the load between the bearings and because the bearings are set over 200mm apart, this will prevent the top rocking from side to side.
- The pairs of pillow blocks and bearings are set apart on each bearing assembly. Again, this prevents sideways movement of the column. The further apart the bearings are set the better. However, the trade-off is that the overall unit would become longer. The arrangement shown is probably the most compact with good bearing separation.
The overall structure is very strong and rigid, with virtually no sideways movement, yet the column moves up and down smoothly.
The height of the bearings is dictated by adding together the various elements needed: -
2 x Pillow blocks @ 24mm each = 48mm
2 x Bearing units @ 30mm each = 60mm
Specified Heave movement x 2 =320mm
Gaps to stop pieces touching at the ends of travel 4 @ 10mmm = 40mm
Total =468mm
Universal Joint
The last part of the central column to discuss is the universal joint at the top of the column. This is needed to allow the top frame – and the cockpit mounted on it – to move around in Roll and Pitch. It would be possible to devise a system of single way bearings in each
direction, mounted one above the other, to achieve the same thing. But the best solution is to use a universal joint.
Again, we have taken parts from the world of cars, since they are easily available. Using a combination of two yokes and one spider, we can make a strong universal joint, which moves easily and freely on good quality bearings. The parts can be obtained from many car part specialists, where they are commonly used in rear wheel drive assemblies.
The overall height of the joint is 70mm, with a diameter of about 90mm and has four holes on each side for attaching to the column and top frame.
This completes the mechanical design of your motion base. The next step is to cover the design of the electrical, electronic and control aspects.
Building Your Own Motion Base3
Central Column & Platform Sensors
1. Central Column Rigidity
There can be situations where the central column, as set out in the original design, is not as rigid as it could be. If your cockpit is quite long, the central column can, at times, be seen to twist around the vertical axis, giving a yaw movement. This is not caused by slackness in the linear bearings, which are extremely rigid against sideways movement. This movement is from the central column main side pieces (made from 75x25x3mm channel) twisting slightly.
There are two possible remedies for this situation, should it occur on your motion base: -
a. Use bigger section channel for the main side pieces e.g. 75mm x 50mm x 3mm. The extra depth of the bigger channel section will provide additional rigidity. This solution is, however, not easy to implement, as it would mean dismantling and rebuilding the whole moving part of the central column.
b. Add some bracing pieces to the central column. The addition of two cross braces to the moving part of the central column will have a major effect in improving rigidity. This solution is also much easier to apply. Simply cut two lengths of 75x25x3mm channel at 145mm long (you should have enough spare material) and bolt them into place as low on the moving part of the column as you can. For the example design, this would mean locating them 80mm from the bottom of the main side pieces. In that position, the braces will not impact with the main frame of the platform when the column is at its lowest position. The figure below shows the braces in place near the base of the column.
Central column braces fully compressed
2 - Varying Length of Main Springs and Struts
In the article on designing the central column, the example used a combined suspension strut (spring and damper in one unit) whose length is 483mm. The reference length is measured from the mid-point of the bush fixing to the base of the fixing bolt – i.e. it does not include the length of the fixing bolt itself.
Figure 2A - Varying Length of Main Springs and Struts
When designing and building your platform, you may need to use parts which are not the same size as the ones stated in the example, and this will have a consequence on the dimensions of the central column.
Therefore, you will want to know how to calculate all the dimensions and how they will vary. Figure A2 shows the dimensions we need to consider.
A = depth of pillow block
B = depth of linear bearing
C = length of central column support G = distance from centreline of strut bush to top of column
H = length of spring/strut
L = length of main side pieces
S = length of linear bearing shaft
We also need to use some other dimensions, not shown in the diagram:
-
D = top piece channel height (25mm) T = design heave travel (160mm)
Y = heave travel buffer gap (10mm)
Z = height of bottom of strut from the floor (100mm).
Calculating the length of the linear bearing shaft (S). This was covered in the main article, but is worth repeating here for completeness.
S = (2 x (T+A+B)) + (4 x Y)
Calculating the length of the centre column supports (C). This is next element to determine.
C = (2 x A) + B + T + (2 x Y)
Calculating the length of the column main side pieces (L). This is the third and final main element to calculate.
First we have to deal with the top end, where the 12mm shaft and pillow blocks hold the bush fixing. The distance G, from the top of the whole column, to the centreline of that bush fixing is defined as G = Thickness of column top piece + height of 12mm pillow block to centreline of its shaft.
In the example
G = 3 + 19 = 22mm
Now we can move on to determine the length of the main column side pieces (L). We have to do this indirectly, using the total strut length H. From the diagram, you can see that: -
H = L + C + (D-G) - (A+B+Y) – Z
D-G is the amount by which the strut protrudes beyond the top of the side piece.
A + B + Y is the overlap of L and C
So,
L = H – C – (D-G) + (A+B+Y) + Z
With these relatively simple formulae, you can calculate the lengths of the various key components of the central column with a range of spring and strut sizes.
3. Platform Sensors
Item---------------------------Qty-----------Used For
DIN Rail Connector Block -- Qty---3 ------ Sensors
DIN Rail adapters------------Qty--10----- Sensors
DIN Rail Commoning Block--Qty---3 ------ Sensors
DIN Rail-----------------------Qty--0.5m--- Sensors
Build Your Own Motion Base4
Building the Main Frame – part one
Following on from the articles on design and the parts list of materials and components that you need, this article will describe how to build the main frame of the motion base.
Cutting List
The table below sets out the list of individual parts that you need to make from the list of various sizes of aluminium. Some suppliers offer a cutting service, which although it may cost you extra, may be worthwhile in saving a lot of time and effort (especially for the 100mm x 50mm channel!).
Aluminium Channel – 100mm x 50mm x 3mm
Part no-----Part Name---------------------------Length (mm)------------ Qty
1-----------Main Frame Long Runners---------1000m---------------------2
2-----------Main Frame Cross Pieces-----------1000-----------------------2
3-----------Main Frame Bracket #1-------------100-------------------------2
4-----------Main Frame Bracket #2-------------50--------------------------2
5-----------Main Frame Column Supports------260*-----------------------2
6-----------Main Frame Spring Supports-------100*-----------------------2
Total--------------------------------------------- 5020------------------------12
*This length may vary according to your design
Aluminium Channel – 50mm x 50mm x 3mm
Part no----------Part Name----------Length---------Qty
7-----------Main Frame Brace-------1000------------2
8-----------Front motor support-----200-------------2
9-----------Rear motor support------400-------------4
Total-----------------------------------4000-----------8
Aluminium Channel – 75mm x 25mm x 3mm
Part no-----Part Name--------------------Length------Qty
10----------Top Frame Centre runner---800----------1
11----------Centre Column Main piece--385*---------2
12----------Centre Column Top piece----155* --------3
Total Length-------------------------------2035--------6
*This length may vary according to your design
Other Sizes
Part no-------Size-----------------Part Name--------------------Length------Qty
13--------50x25x3 channel------Top Frame side runner-------800----------2
14--------25x22x3 channel------Top Frame cross piece-------650----------2
15--------25x25x3 eq angle-----Motor arm attachments-----150----------3
16--------25x12 flat bar---------Motor arms-------------------200*---------3
Total-----------------------------------------------------------------------------10
*This length may vary according to your design
You now have the 36 pieces you need to build your motion base frames.
Putting the Main Frame Together
The step by step process of putting the frame together is described below, accompanied by a series of 3D CAD drawings for each stage.
Clamp and drill
The easiest method for the homebuilder to fix the frame together is to use nuts and bolts. That is the method used here. The nuts and bolts needed were listed in the parts list. Instead of drilling each part separately and then fixing them together, the instructions work on clamping together the two parts that are to be joined, drilling right through both, and then immediately inserting the nut and bolt. You may wish to drill holes separately and then bring the parts together, it is up to you.
If you can weld aluminium, or have access to someone who can, then welding the basic parts of the frame is a good option. Our advice would be to weld instead of using bolts for steps 1 to 3 only.
Step 1 – The Long Runners
Take the two pieces of part no 1 and lay them down, about 900mm apart, with the flat part of the channel facing upwards. Draw a line across each piece at its centre.
Figure B1 - Step One
Step 2 – Cutting the main cross pieces
Take both pieces of part no 2 and cut a rebate at both ends of each piece, measuring 100mm x 50mm (see figure B2). The cuts are highlighted in red in the drawing.
Step 2 – Cutting the main cross pieces
Then place the pieces across the long runners, 50mm either side of the centre point. See figure B3.
Figure B3 - Step Two
Step 3 – Fixing the main cross pieces
Take both pieces of part no 3. These are used to attach the cross pieces to the long runners. They should be placed exactly across the centre of the long runners so the sides of the brackets channel meet with the cross pieces. Check that the cross pieces (part #2) are at 90 degrees to the long runners (part #1). Clamp into position and drill four evenly spaced 8mm holes through each bracket #1 and the long runner. Bolt the brackets to the long runners.
Drill two evenly spaced 8mm holes through from the sides of the bracket into each cross piece, and bolt the cross pieces to the brackets. In total there should be 8 bolts forming the joint between each long runner and the cross pieces.
Next take both pieces of part #4 (bracket #1). These are used to make the joint between the cross piece and the long runners stronger. Place each bracket #2 down between the cross pieces so that they make a join between the side of each long runner and the cross pieces. Use two 8mm bolts to fix each bracket#2 to the long runner and one 8mm bolt to fix to each cross piece (total four bolts).
See figures B4 and B5.
Figure B4 - Fixing the main cross pieces
Figure B5 - Fixing the main cross pieces
Step 4 – Preparing the centre column supports
The next pieces to fit are the two uprights – the centre column supports (part no #5). First measure and mark with a line the centre line of the motion base. This should be well marked as it is a reference point in several steps from this stage onwards. Place the column supports so that they are facing inwards, at a distance of 125mm either side of the centre line (measured to the outside of the supports). Check that they are perpendicular to the rest of the frame. Clamp and drill/fix with two 8mm bolts on either side of each support (total 8 bolts). Do not tighten the nuts as they will be removed in the next step. See figures B6 and B7.
Figure B6 - Column Support
B7 - Step 4 – Preparing the centre column supports
Step 5 – Fitting the Linear Bearings
The next steps involve assembling the central column, with its linear bearings. First is to build the moving part of the column. For this you will need the two centre column main pieces (part #11) and the components for the linear bearing:-
Part no----Item---------------------------------Length------Qty
17----------Linear Bearing Shaft 20mm------470mm------2
18----------Linear Bearing 20mm---------------------------4
19----------Pillow Block 20mm-------------------------------4
20----------Linear Bearing Shaft 12mm------130mm------1
21----------Pillow Block 12mm-------------------------------2
22----------Shaft Collars 12mm bore-----------------------2
23----------Column Main Spring-----------------------------1
24----------Column Main Damper---------------------------1
25----------Universal Joint----------------------------------1
Remove the central column supports that you fitted in step 4 (they will be replaced again soon, but it was important to locate them and drill the holes). Measure and draw a line along the centre of each column support, from top to bottom, on the outside.
Figure B8
Fit the two 20mm pillow blocks to the column supports first (parts #5 and #19). The pillow blocks are to be placed flush with the ends of the column supports (see diagram above– pillow blocks shown in yellow). With reference to the size chart for the pillow blocks (LSHSsize.pdf), two holes are needed for each pillow block – 8mm in diameter, 12mm from the edge of the column support and 19.5mm either side of the centre line.
Next, cut the linear bearing shaft (part #17) to the size you need (in this case 470mm). This is made from specially hardened steel and cannot be cut with a hack saw. The best tool for cutting the shaft is an angle grinder fitted with a metal cutting wheel. (Be sure you hold the shaft in a vice and wear gloves and goggles for protection).
Slide a pillow block, then a linear bearing, then the second pillow block onto the shaft. Position the shaft against the column support and fix the pillow blocks using M8x16mm bolts. Position the shaft so that it is flush with the bottom pillow block and then tighten the clamping bolts on each pillow block. Repeat for the other column support.
Take the centre column main pieces (part #11), and measure and draw a centre line down the middle of each piece on the outside. With reference to the size chart for the linear bearing units (part #18), measure, mark and drill the two holes needed for each linear bearing unit.
The lower bearing is placed flush with the bottom of the main piece and the upper bearing is 185mm below the top of the main piece. The holes for the lower bearing are therefore 6mm holes placed 15mm from the bottom edge of the column main piece, 20mm either side of the centre line. The holes for the upper bearing are also 6mm diameter, placed 185mm down from the top edge of the column main piece and also 20mm either side of the centre line. See the drawing above (bearing units are shown in green).
Fix the bearings to the column main piece using M6x16mm bolts. You should now have two halves of the centre column with easily sliding linear bearings.
Step 6 – Fitting the centre column spring & damper
Take the two main frame spring supports (part #6). These will be placed on top of each other, so the upper piece supports the spring/damper or strut.
If you are using a strut, the long fixing bolt will be bolted through to the lower of the two supports. Prepare the upper piece so that the strut can sit level on top of the piece. Drill the hole in the lower piece needed for the strut fixing bolt to go through.
If you are using a separate spring and damper, prepare the upper piece so that the spring can sit level on top. You will also have to attach a suitable fixing for the bottom end of the damper.
Locate the supports in between the main cross pieces, straddling the platform centre line – one on top of each other (see drawing above – in orange). Clamp and drill two 8mm holes on either side of each spring support piece, so as to bolt them to the cross pieces (total 8 bolts). Fix them in place.
Now locate and fix your spring/damper or strut in place on top of the supports.
Then re-fit the main frame column supports, using the holes you drilled in step 4.
Step 7 – Complete the centre column
Finishing the centre column involves first attaching the top of the strut or damper to one of the column top pieces (part no 12) and then using the other two top pieces to fit that to the column main pieces.
Cut the 12mm linear bearing shaft (part #20) to the right length (130mm). (You will need to use an angle grinder as described above).
Take one of the top pieces, and measure and draw a centre line down and across the middle, again on the outside. With reference to the LSHS size chart (LSHSsize.pdf), drill two holes for each 12mm pillow block (part #21). The holes will be 6mm in diameter, 56mm from the centre line across the top
Figure B9 - Complete the centre column
piece, and 13.5mm either side of the centre line down the top piece. See Figure B9.
Figure B9 - Complete the centre column
At the same time, you should also drill the holes and mount the universal joint (part #25) on top of the top piece. See
Figure B10 - Top piece detail 2
Next, you should attach the other two top pieces either side of the first one. You need to clamp the pieces together and join them using 3x8mm holes for either side. See figure B11 for details on how to attach them and how all the pieces join together at the top of the central column.
Figure B11 - Top piece detail 3
The order of joining the pieces together is:-
a. join the three top pieces together
b. join the top of the strut/damper to the top pieces
c. join the top pieces to the main side pieces.
Part a is just completed. Part b is next. Slide the 130mm of 12mm linear bearing shaft through one pillow block, then through a shaft collar (part #22), the strut, the other shaft collar and then through the pillow block at the other end. Tighten the screws on both pillow blocks and then, making sure that the strut is central on the shaft, tighten the screws on the shaft collars so the strut cannot move from side to side on the shaft. See figure B12
Figure B12 - Top piece detail 4
Lastly, you need to pull up the column main side pieces and join them to the top of the column. As can be seen in figure B11, joining is done by drilling two 8mm holes for each side of each main piece, through each of the top side pieces. Once this is done, the central column is complete.
The next figure, figure B13 shows the frame at this point of completion (except that you will have installed the universal joint also.
Figure B13 - Step Seven
The remaining tasks to complete the frame building will be covered in part two.
Motion5
motion 5-2
motion-5
motion-5-3
See Part Two in link below,
viewtopic.php?f=38&t=910&p=8196#p8196

