Hi,
Here is my first DOF driving simulator :
The actuators are 2 SEW 3x220V AC motoreductors + 1x220-->3x220V drivers.
The sensors for the angular positions are non-contacting direction/step encoders 512ppr.
The 2 white gear wheels are 3D printed.
The computer in an home made box ...
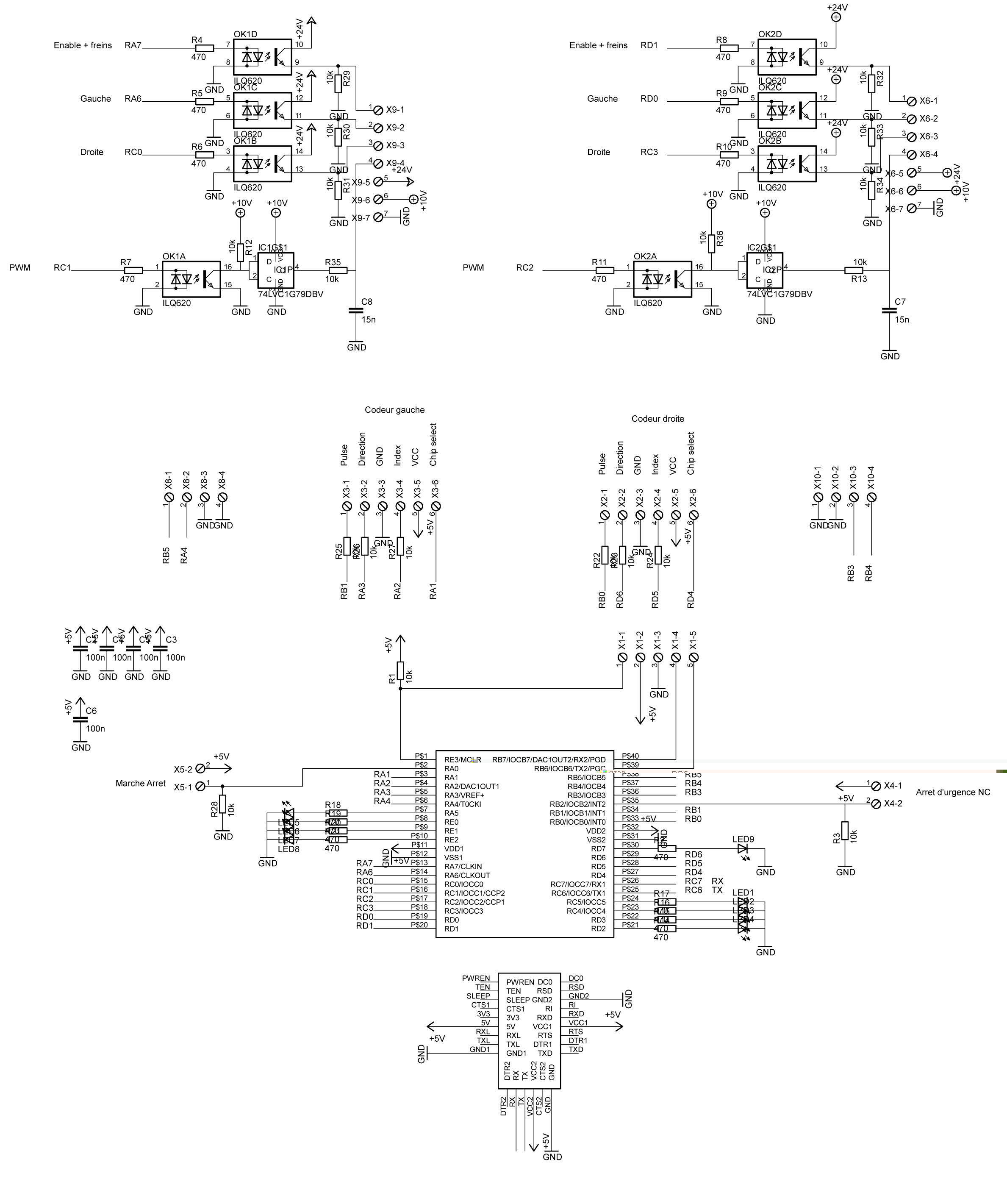
And the electronic board :
It's based on a Microchip 18F47K40 chip with a USB/RS232 converter for the data transmission.
The board and the software were designed by me. (Eagle + MPLAB)
The game I am using is GTR2 and it's working pretty well !
My 8 years old son is driving...
Excuse me for my english ! I'm french ...
Bye !

